Cookies

Utilizamos cookies propias y de terceros para mejorar nuestros servicios.

Volver

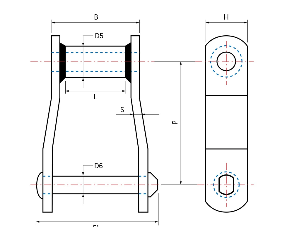
JOHN KING - CADENAS DE ACERO SOLDADO - LINEA WH

Descripción

Las cadenas WH de John King están diseñadas para aplicaciones de alto impacto y desgaste, como el transporte de material a granel en la industria aceitera. Incorporan placas laterales acodadas y bujes soldados circunferencialmente, con pernos montados a presión y asegurados por remache o chaveta, garantizando una estructura mecánicamente robusta y de bajo mantenimiento. La especificación IBR incluye tratamiento térmico integral con endurecimiento superficial por inducción en buje y perno, mejorando significativamente la resistencia a la abrasión y la fatiga. Además, ofrecemos configuraciones con perno y buje en aceros inoxidables especiales, como el 17-4PH, con excelente desempeño comprobado en entornos corrosivos y abrasivos típicos del sector oleaginoso.